Solar Powered Air Compressors
Single Solar Compressor
Dual Solar Air Compressor
Single/Dual Solar Air Compressors
- Eliminates natural gas emissions
- Modbus communication allows remote reporting of significant events
- Does not require replacement of the level controller or dump valve, and little or no loss in production
Single Solar Air Compressors
Download the PDF version of the Single Solar Powered Air Compressor Brochure
General Specifications:
- Operating Voltage: 12 vdc or 24 vdc
- Power Source: Photovoltaic 160W (12V), 400W (24V)
- Options:
- Commercial AC power
- External 12vdc source
- Options:
- Energy Storage: 2ea 110 Ah 12V AGM batteries
- Battery Bank Temperature Range:
- -40 to 60°C (Discharge)
- -20 to 50°C (Charge)
- Electronic Modules (Expandable):
- Battery Charger and Compressor Controller
- Compressor Driver(s)
- Controller - Battery Charger: 40 Amp Maximum Solar Array Current
- Controller - Compressor Drivers: User adjustable start - stop pressure
- Compressor Driver: Soft start, continuous duty 40A max.
- Electronic Mods. Temperature Range: -20 to 70°C
- Air Compressor Standard Duty: 100% Duty Cycle at 100psi and 72°F
- Normal Operating Pressure Output: 125 psi relief valve (higher pressures available)
- Air Receiver: 3-gallon Stainless Steel
- Water Condensation Removal: Automated Valve
- Standard System Warranty: 2 Years electronics - 1 year compressor
- Communication: MODBUS RS485
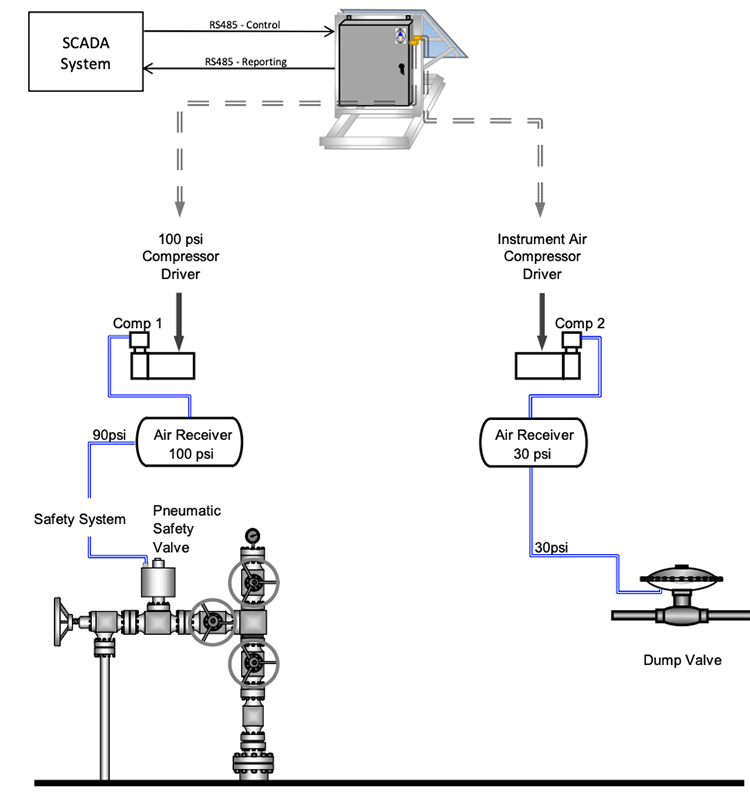
SOLAR AIR COMPRESSOR - BLOCK DIAGRAM

Dual Solar Air Compressor
Download the PDF version of the Dual Solar Powered Air Compressor Brochure
General Specifications:
- Operating Voltage: 12 vdc or 24vdc
- Power Source: Photovoltaic 320W (12V), 800W (24V)
- Options:
- Commercial AC power
- External 12vdc source
- Options:
- Energy Storage: 4ea 110 Ah 12V AGM batteries (Expandable)
- Battery Bank Temperature Range:
- -40 to 60°C (Discharge)
- -20 to 50°C (Charge)
- Electronic Modules (Expandable):
- Battery Charger and Compressor Controller
- Compressor Drivers (2ea)
- Controller - Battery Charger: 40 Amp Maximum Solar Array Current
- Controller - Compressor Drivers: User adjustable start - stop pressure
- Compressor Driver: Soft start, continuous duty 40A max.
- Electronic Mods. Temperature Range: -20 to 70°C
- Air Compressor Standard Duty: 100% Duty Cycle at 100psi and 72°F
- Normal Operating Pressure Output: 125 psi relief valve
(higher pressures available) - Air Receiver: 2-ea 9-gallon Stainless Steel
- Water Condensation Removal: Automated Valve
- Standard System Warranty: 2 Years electronics - 1 year compressor
- Communication: MODBUS RS485
DUAL SOLAR AIR COMPRESSOR - BLOCK DIAGRAM

